Bm 202h
Patlite パトライト Bm 2h 超小型電子音報知器 F30 定格電圧 Ac Dc24v 大音量タイプ Sn Bm 2h Angel Ham Shop Japan 通販 Yahoo ショッピング
Signal Phone Horn 24v Patlite Bm 2h Audible Alarm Nnb New
Bm 2h Electronic Sound Alarm Bm Patlite Misumi
Patlite Alarm Buzzer Electronic Sound 85 Db At 1m Pn Bm 2h Automationdirect
Patlite Bm 2h ไซเรนและเส ยงส ญญาณเต อนภ ย Shopee Thailand
Patlite Bm 2h Fc001 Audible Alarm Signal Phone Horn 24v For Sale Online Ebay
BM2HFC001 Patlite USA Corporation Patlite BM2HFC001 Panel Mount Smart Alert Alarm, 2 Sounds, Dark Gray, AC/DC24V PATLITE BM2HFC001 PANEL MOUNT SMART ALERT ALARM, 2 SOUNDS, DARK GRAY, AC/DC24V THE BM SMART ALERT'S SMALL SIZE (30MM DIAMETER) AND TWO ALARMS MAKE IT IDEAL FOR INSTALLATION ON CONTROL PANELS OR PRODUCTION EQUIPMENT.
Bm 202h. BM2 Electronic Sound Alarm BM from PATLITE MISUMI offers free CAD downloads, short lead times, competitive pricing, and no minimum order quantity Purchase BM2 Electronic Sound Alarm BM from PATLITE, FA & metal molding parts, industrial tools and consumables. New Frontiers in Safety, Security and Comfort File Downloads BM 50mm square, 2 buzzers The BM is an extremely small design, with two buzzer sounds, that is ideal for installation on control panels or production equipment. Bm2h Patlite Audible Alarm Signal Phone Horn New (692% similar) Up for sale Patlite bm2h fc001 audible alarm, signal phone horn 24v new we have a 100% return refund policy, should there be any problem Buy with confidence condition new in box thanks for looking Ats.
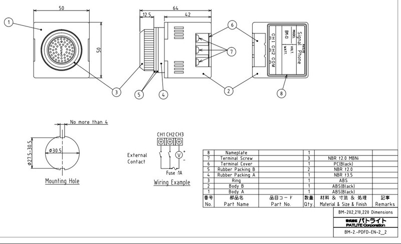
Patlite BM2H Signal phone Acoustic alarm buzzer $2180 $467 shipping Make Offer Patlite BM2H Signal phone Acoustic alarm buzzer Patlite BM2 Alarm Buzzer 24vac/dc $2248 Free shipping Make Offer Patlite BM2 Alarm Buzzer 24vac/dc PATLITE CORPORATION 24V 6W PATLITE ALARM UNIT EB24KA. BM2H 電圧許容範囲 接点入力方式 再生チャンネル BM2 AC/DC 24V AC/DC 24V BM210 AC 100V BM2 AC 2V 04W 25W 最大80dB(at 1m) 最大85dB(at 1m) 990~1228Hz 最大85dB(at 1m) 最大90dB(at 1m) 3803~4715Hz 最大75dB(at 1m) 最大80dB(at 1m) 990~1228Hz 35W 04W 25W 35W 04W 25W 35W 01kg 3,980円 4,480円 4,980円. Product Attribute Attribute Value Alternate Mfr Part Number BM2H Decibel Range Maximum of 85 dB Decibels at 1 Meter 85 dB Features BuiltIn Alarm, Extremely Small Design Minimum Operating Temperature °C Mounting Type Panel Mount Primary Type Horn Series BM Series Sound Level 90 @ 1 m dB Special Features 2 Channe.
BM2 Electronic Sound Alarm BM from PATLITE Free CAD downloads, quick delivery, competitive pricing, and no minimum order quantity Purchase BM2 Electronic Sound Alarm BM from PATLITE, Factory Automation parts, Die & Mold parts, industrial tools and consumables. Buzzer, 50mm Square, Panel Mount, 24VAC/DC, 90dB, High Volume, 2 Distinct Sound Options. Buy Stock bm2 bm2 bm2h bm2h bm2d bm2d double sound buzzer from newbecca, provides best taobao agent and taobao english site service, cheap purchase Electroacoustic equipment and magnetic materials.
BM2HFC001 from Patlite at Allied Electronics & Automation * Products listed as "People Also Bought" are not recommended accessories and may not be compatible with the primary product. You are Purchasing a Patlite Signal Phone Audible Alarm Panel Mount Audible Alarm Input 24 VACDC Model BM2 Fits 30 MM Hole. BM2HFC001 from Patlite at Allied Electronics & Automation * Products listed as "People Also Bought" are not recommended accessories and may not be compatible with the primary product.
เช็คราคาไซเรนและเสียงสัญญาณเตือนภัย Siren, Alarm, Warning Sound จากตัวแทนจำหน่าย PATLITE รุ่น BM2H PATLITE BM2H ไซเรนและเสียงสัญญาณเตือนภัย Siren, Alarm, Warning Sound คือ อุปกรณ์ให้สัญญาณ. BM2、BM210、BM212、BM2、BM2D、BM210D、BM212D、BM2D、BM2H、BM210H、BM212H、BM2H、BM、BMD、BMH More Part# Product Category: More Application: More Data Type: USER's Guide More Safety & Environment Standards: More Operating Temperature: Please see the document for details Qualification. BM2H Ultra Compact Electronic Sound Detector Bm PATLITE Help Contact Us Log Off Sign In All Category Quick Order Buy more than* S$0* and get FREE SHIPPING Due to the new coronavirus, there has been a surge in demand for safety protective equipment such as masks and protective clothing and therefore, production is not meeting.
PATLITE BM2H Alarm 24v Signal Description Bm 2h Patlite Audible Alarm Signal Up for sale PATLITE BM2H FC001 audible alarm, signal phone horn 24v new we have a 100% return refund policy, should there be any problem Buy with confidence condition new in box thanks for looking Ats PATLITE BM2H Alarm 24v Signal Specifications Identifiers. Buy Stock bm2 bm2 bm2h bm2h bm2d bm2d double sound buzzer from newbecca, provides best taobao agent and taobao english site service, cheap purchase Electroacoustic equipment and magnetic materials. 選択解除 bm2 bm2d bm2h bm210 bm210d bm210h bm2 bm2d bm2h 定格電圧(v).
BM2、BM210、BM212、BM2、BM2D、BM210D、BM212D、BM2D、BM2H、BM210H、BM212H、BM2H、BM、BMD、BMH More Part# Product Category: More Application: More Data Type: USER's Guide More Safety & Environment Standards: More Operating Temperature: Please see the document for details Qualification. Oct 19, The new warning light ‘LPT Series’ has launched!;. BM2 2, ฿ 1,000 ฿ ราคายังไม่รวมส่วนลด Add to cart.
BM2H BM2 D 100V AC BM210H BM210 2V AC BM2H BM2 Ch2 Ch1 Ch Pipipipi Peepo Peepo Type of sounds 1V AC BM212H BM212 BM2 BM210 BM212 BM2 BM Þ Outer contact Fuse Power supply * * Specifications are subject to change without notice * Mounting dimensions Caution INSTRUCTION MANUAL. BM2H 2, ฿ 1, ฿ ราคายังไม่รวมส่วนลด Add to cart;. Buy BM2HFC001 Patlite (usa) Panel mount alarm with 2 selectable sounds, 90dB Newark offers fast quotes, same day shipping, fast delivery, wide inventory, datasheets & technical support.
Patlite BM2HFC001 Signal Horn Since 1974, Your Single Source for HVAC, Controls, and Electromechanical Components. Buy Patlite BM Series Signal Horn, Part No BM2HFC001 2 channel, high volume, 90dB at 1m, 24V AC/DC (50/60Hz), NPN/PNP opencollector, IP30. BM Series Buzzer Specifications Part Number BM2H BM212H Price $3300 Description Buzzer Rated Voltage 24V AC/DC 1VAC Operating Voltage Range Rated voltage ± 10% Rated Power Consumption 04 W 25 W Maximum Volume 85dB @ 1m 90dB @ 1m Tone Type Buzzer 1 Slow intermittent Buzzer 2 Fast intermittent.
Electronic Sound Alarm BM of Patlite,BM2, Check out the variety of configurable, Electronic Sound Alarm BM of Patlite,BM2,MISUMI has other mechanical components, Press Die, and Plastic Mold products available MISUMI offers free CAD download, short lead times, competitive pricing, and no minimum order quantity Quote and order online today!. Belanja online murah di Glodoku Glodoku merupakan situs belanja online terpercaya di Indonesia yang menjual beragam produk yang dibutuhkan industry di Indonesia. BM2 Electronic Sound Alarm BM from PATLITE MISUMI offers free CAD downloads, short lead times, competitive pricing, and no minimum order quantity Purchase BM2 Electronic Sound Alarm BM from PATLITE, FA & metal molding parts, industrial tools and consumables.
Buy New or Surplus PATLITE BM2H ( PATLITE , BM2H, BM2H, PANEL MOUNT ALARM, WITH 2 SELECTABLE SOUNDS, 24VAC/DC, 30MM ) parts Radwell also repairs PATLITE BM2H. Electronic Sound Alarm BM (BM2H). Bm2h ออดไฟฟ้า bm จาก patlite misumi มี 2600 แบรนด์, 9 ล้าน ผลิตภัณฑ์ของ ส่วนประกอบ, อุปกรณ์ไฟฟ้าและชิ้นส่วนควบคุม misumi ไม่มีขั้นต่ำไม่มีค่าจัดส่งด้วยระยะเวลา.
BM2H Patlite audible alarm buzzer, electronic sound, 85 dB at 1m, (2) selectable tone (s), 24 VAC/VDC, 30mm, panel mount, ABS plastic housing, black, IP30 Go to the Product Overview for this category Report a problem or incorrect product information. パトライト BM型 超小型電子音報知器 Φ30 電子ブザー2音 bm2h 電気 電子部品 表示灯, 修理保証, メーカー型番bm2h janコード ブランドパトライト 特徴 機器への組み込み用として最適、2種類の音色を内蔵し. BM2H Ultra Compact Electronic Sound Detector Bm PATLITE Help Contact Us Log Off Sign In All Category Quick Order Buy more than* S$0* and get FREE SHIPPING Due to the new coronavirus, there has been a surge in demand for safety protective equipment such as masks and protective clothing and therefore, production is not meeting.
Bm2h ออดไฟฟ้า bm จาก patlite misumi มี 2600 แบรนด์, 9 ล้าน ผลิตภัณฑ์ของ ส่วนประกอบ, อุปกรณ์ไฟฟ้าและชิ้นส่วนควบคุม misumi ไม่มีขั้นต่ำไม่มีค่าจัดส่งด้วยระยะเวลา. BM Series Buzzer Specifications Part Number BM2H BM212H Price $3300 Description Buzzer Rated Voltage 24V AC/DC 1VAC Operating Voltage Range Rated voltage ± 10% Rated Power Consumption 04 W 25 W Maximum Volume 85dB @ 1m 90dB @ 1m Tone Type Buzzer 1 Slow intermittent Buzzer 2 Fast intermittent. Bm2h 超小型電子音報知器 bm型 1台 パトライト(patlite) などがお買得価格で購入できるモノタロウは取扱商品1,800万点、3,500円以上のご注文で送料無料になる通販サイトです。.
Patlite BM2H Signal phone Acoustic alarm buzzer $2180 $467 shipping Make Offer Patlite BM2H Signal phone Acoustic alarm buzzer Patlite BM2 Alarm Buzzer 24vac/dc $2248 Free shipping Make Offer Patlite BM2 Alarm Buzzer 24vac/dc PATLITE CORPORATION 24V 6W PATLITE ALARM UNIT EB24KA. The BM2H is a compact Signal Horn designed to integrate with control panel, switchboard and other production equipment applications Builtin alarm with an audible sound of up to 90dB (at 1m) Two selectable alarm sound patterns. Apr The new Wireless Data Acquisition System WD PRO Receiver (WDRLEZ2PRO) has.
Bm2h bm2h オンセイゴウセイ 電子音での注意喚起。 価格 ¥3,938 在庫数 0 出荷 2営業日以内 購入ページを見る bm210 bm210 オンセイゴウセイ. Buy New or Surplus PATLITE BM2H ( PATLITE , BM2H, BM2H, PANEL MOUNT ALARM, WITH 2 SELECTABLE SOUNDS, 24VAC/DC, 30MM ) parts Radwell also repairs PATLITE BM2H. Sep 23 The New 60mm LED Signal Tower with M12 Connector LR6WM has launched!;.
New Frontiers in Safety, Security and Comfort News more 16 Nov The New IOLink Signal Beacon NEIL series( No Buzzer Type)has launched!;. BM2 Electronic Sound Alarm BM from PATLITE Free CAD downloads, quick delivery, competitive pricing, and no minimum order quantity Purchase BM2 Electronic Sound Alarm BM from PATLITE, Factory Automation parts, Die & Mold parts, industrial tools and consumables. เช็คราคาไซเรนและเสียงสัญญาณเตือนภัย Siren, Alarm, Warning Sound จากตัวแทนจำหน่าย PATLITE รุ่น BM2H PATLITE BM2H ไซเรนและเสียงสัญญาณเตือนภัย Siren, Alarm, Warning Sound คือ อุปกรณ์ให้สัญญาณ.
Buy BM2HFC001 Patlite (usa) Panel mount alarm with 2 selectable sounds, 90dB Newark offers fast quotes, same day shipping, fast delivery, wide inventory, datasheets & technical support. Find the best pricing for Patlite BM2H by comparing bulk discounts from 2 distributors Octopart is the world's source for BM2H availability, pricing, and technical specs and other electronic parts. BM2HFC001 Panel mount alarm with 2 selectable sounds, 90dB Add to compare Image is for illustrative purposes only Please refer to product description Manufacturer PATLITE (USA) PATLITE (USA) Manufacturer Part No BM2HFC001 Newark Part No 85X3296 Product Information.
楽天市場 パトライト 超小型電子音報知器 Bm 2h Ac Dc24v 大音量タイプ 定格電圧お選びいただけます パトライト社回転灯通販電材ランド
Patlite パトライト Bm 2h 超小型電子音報知器 F30 定格電圧 Ac Dc24v 大音量タイプ Sn Bm 2h Angel Ham Shop Japan 通販 Yahoo ショッピング
Patlite Bm 2h Signal Phone 24vac Dc 0 4w Ebay
Bm 2h Coi Bao Hiệu Tủ điện Patlite 2 Am Buzzer 80 90db F30 Ip30
Patlite Bm 2h Bm2h Signal Phone For Sale Online Ebay
Angel Ham Shop Japan Patlite Bm 2h Electronic Sound Alarm Ac Dc24v Loud Type Sn Rakuten Global Market
Bm 2h By Patlite Buy Or Repair At Radwell Radwell Com
Bm 2h Coi Bao Hiệu Tủ điện Patlite 2 Am Buzzer 80 90db F30 Ip30
Patlite Alarm Buzzer Electronic Sound 85 Db At 1m Pn Bm 2h Automationdirect
Md 2 Past International And National Council Officers
Bm 2h Sirens Buzzers Patlite Pik2pak Com
Patlite Bm 2h Fc001 Panel Mount Bm Series Alarm 24v Ac Dc Allied Electronics Automation
43 50 Stock Bm 2 Bm 2 Bm 2h Bm 2h Bm 2d Bm 2d Double Sound Buzzer From Best Taobao Agent Taobao International International Ecommerce Newbecca Com
Bm 2h 전자음 경보기 Bm 페트라이트 Patlite Misumi한국미스미
パトライト bm型 超小型電子音報知器 F30 電子ブザー2音 Bm 2h Bm 2h ホクショー商事 ヤフー機械要素店 通販 Yahoo ショッピング
Hot Sale Product
Cdn Kyklo Co Assets W1siziisijiwmjavmdevmtivmtuvmtqvmtqvytvknzfiotetntkzyi00ngixltkwm2ytmjc2mjhlmwuyzjdil1bhdgxpdgulmjatjtiwqk0lmjbzzxjpzxmlmjatjtiwy2f0ywxvzy5wzgyixv0 Sha 97c028e91a7e6b
Spot Bm 2 Bm 2 Bm 2h Bm 2h Bm 2d Bm 2d Double Buzzer
Acomee Productos De La Marca Patlite
Docs Rs Online Com 9048 b813b7565 Pdf
Bm 2h 超小型電子音報知器 Bm型 1台 パトライト Patlite 通販サイトmonotaro
パトライト bm型 超小型電子音報知器 F30 電子ブザー2音 Bm 2h Bm 2h ホクショー商事 ヤフー機械要素店 通販 Yahoo ショッピング
Bm 2h 24vac Dc D Iengineer Com Inspired By Lnwshop Com
Buy Buzzers Audible Alarms At Wolf Automation
日本派特萊patlite蜂鳴器bm 2h 24vac Dc
Bm 2h 24vac Dc D Iengineer Com Inspired By Lnwshop Com
43 50 Stock Bm 2 Bm 2 Bm 2h Bm 2h Bm 2d Bm 2d Double Sound Buzzer From Best Taobao Agent Taobao International International Ecommerce Newbecca Com
Bm2 淘宝拼多多热销bm2货源拿货 阿里巴巴货源
Bm 2h
Patlite Bm 2h Fc001 Panel Mount Bm Series Alarm 24v Ac Dc Allied Electronics Automation
Patlite Bm 2h Signal Phone 24vac Dc 0 4w Bm 2h Electronic Components Amazon Com Industrial Scientific
Spot Bm 2 Bm 2 Bm 2h Bm 2h Bm 2d Bm 2d Double Buzzer
H 2 Industrias Y Oficinas En Mercado Libre Mexico
パトライト 今だけ限定15 Offクーポン発行中 Bm型 超小型電子音報知器 電子ブザー2音 F30 Bm 2h
Instruction Manual 4070 N Signal Phone To Ensure Proper Operation Type Bm Manualzz
Bm 2h Patlite 0 4 W Ac Dc 24v 85 Db
Patlite Bm 2h Signal Phone Acoustic Alarm Buzzer Ebay
Cdn Kyklo Co Assets W1siziisijiwmjavmdevmtivmtuvmtqvmtqvytvknzfiotetntkzyi00ngixltkwm2ytmjc2mjhlmwuyzjdil1bhdgxpdgulmjatjtiwqk0lmjbzzxjpzxmlmjatjtiwy2f0ywxvzy5wzgyixv0 Sha 97c028e91a7e6b
Angel Ham Shop Japan Patlite Bm 2h Electronic Sound Alarm Ac Dc24v Loud Type Sn Rakuten Global Market
Tumor Associated Neutrophils Suppress Pro Tumoral Il 17 Gd T Cells Through Induction Of Oxidative Stress
Buy Buzzers Audible Alarms At Wolf Automation
パトライト bm型 超小型電子音報知器 F30 電子ブザー2音 Bm 2h 326 2812 Orb オレンジ便利 通販 Yahoo ショッピング
シグナルホン 電子音報知器 Bm 株 パトライト 製品情報
Audible Signal Devices Pushbuttons Switches And Indicators Products
Bm 50mm Square 2 Buzzers Products Audible Alarm Patlite
Buzzer Revolving Light Patlite 24a K Ba100ka K Bm 2h Bm 2h Rhe 24 Rh 230l
43 50 Stock Bm 2 Bm 2 Bm 2h Bm 2h Bm 2d Bm 2d Double Sound Buzzer From Best Taobao Agent Taobao International International Ecommerce Newbecca Com
Www Interempresas Net Feriavirtual Catalogos Y Documentos 2733 O 39b En Pdf
Bm 2h 24vac Dc D Iengineer Com Inspired By Lnwshop Com
Bm Ibcon
Patlite Bm 2h Signal Phone
Differences In The Regulation Of Iron Regulatory Protein 1 Irp 1 By Extra And Intracellular Oxidative Stress Journal Of Biological Chemistry
防じん保護具保管庫 除湿 光脱臭機能付 bm 60fkct t8 ミドリ安全 公式通販
Patlite Alarm Buzzer Electronic Sound 85 Db At 1m Pn Bm 2h Automationdirect
Buy Buzzers Audible Alarms At Wolf Automation
62 1612 58 電子音報知器 Ac Dc24v 大音量タイプ Bm 2h Axel アズワン
Patlite Bm 2h With 2 Selectable Sounds Bm2h 30mm Panel Mount Alarm 24vac Dc Amazon Com Industrial Scientific
Signal Phone Horn 24v Patlite Bm 2h Audible Alarm Nnb New
Patlite Alarm Buzzer Electronic Sound 85 Db At 1m Pn Bm 2h Automationdirect
2種類の音色を内蔵した超小型電子ブザー Patlite Bm 2h 電子音報知器 Ac Dc24v 大音量タイプ パトライト Sn
日本派特萊patlite蜂鳴器bm 2h 24vac Dc
Patlite Meltas Turkiye
楽天市場 Patlite Bm 2 電子音報知器 Ac Dc24v 標準タイプ パトライト Sn Angel Ham Shop Japan
五金工控总汇from Buy Asian Products Online From The Best Shoping Agent Yoycart Com
F940got Swd Bm 2h Mitsubishi Patlite Signal Phon 人機介面b211 露天拍賣
Patlite Bm 2h Signal Phone 24vac Dc 0 4w Bm 2h Electronic Components Amazon Com Industrial Scientific
Patlite Bm 2h超小型電子音報知器 F30 大音量タイプ Sn Angel Ham Shop Japan Direct Online Store
Patlite Bm 2h Fc001 Panel Mount Bm Series Alarm 24v Ac Dc Allied Electronics Automation
Signal Phone Horn 24v Patlite Bm 2h Audible Alarm Nnb New
Angel Ham Shop Japan Patlite Bm 2h Electronic Sound Alarm Ac Dc24v Loud Type Sn Rakuten Global Market
Cdn Kyklo Co Assets W1siziisijiwmjavmdevmtivmtuvmtqvmtqvytvknzfiotetntkzyi00ngixltkwm2ytmjc2mjhlmwuyzjdil1bhdgxpdgulmjatjtiwqk0lmjbzzxjpzxmlmjatjtiwy2f0ywxvzy5wzgyixv0 Sha 97c028e91a7e6b
2
Bm 2h Electronic Sound Alarm Bm Patlite Misumi India
Patlite Alarm Buzzer Electronic Sound 85 Db At 1m Pn Bm 2h Automationdirect
Smart Alert Alarms Industrial Electronics Industrial Electronics
Patlite Alarm Buzzer Electronic Sound 85 Db At 1m Pn Bm 2h Automationdirect
Toa Zs F1000 Bm Citra Sapta Abadi
Signal Horn Model Bm Patlite
Bm 2h By Patlite Buy Or Repair At Radwell Radwell Com
Patlite Corp Bm 2h Panel Mount Alarmnew In Box Amazon Com Industrial Scientific
Seal Kit For Jcb 1700b Loader Lift Hydraulic Cylinder Business Industrial Seals O Rings Ponycobandhorsesaddles Com
43 50 Stock Bm 2 Bm 2 Bm 2h Bm 2h Bm 2d Bm 2d Double Sound Buzzer From Best Taobao Agent Taobao International International Ecommerce Newbecca Com
Bm系列小型电子压电蜂鸣器 派特莱patlite
F940got Swd Bm 2h Mitsubishi Patlite Signal Phon 人機介面b211 露天拍賣
2
منتديات ستار سات العربية أحتاج تحديث لجهاز Strem Led Bm 5081 3d
Bm 2 電子音報知器 Bm パトライト Misumi Vona ミスミ 326 2791
Patlite Bm 2h Signal Phone
Bm 2h Patlite Novaut Smart Engineering
電子音報知器の値段と価格推移は 30件の売買情報を集計した電子音報知器の価格や価値の推移データを公開
2
Kpt Group
Bm 2h Buzzer เจาะหน าประต 30mm 24vac Dc
Shelf Japanese Patlite Terai Ewhs Ewh Audible Alarm Horn Alarm Horn Sound Horned Snakehorn Toggles Aliexpress


