Ms 16gd1 Ver 11 Schematic
Msi Msi Shemi Na Laptopi Nachalo
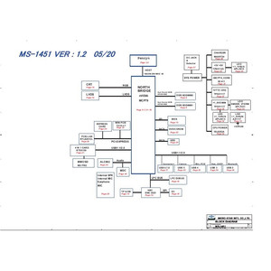
Schematic X Msi Schematics
Msi Ms 16j61 Rev 1 1 Bios Alisaler Com
Platforma Msi Noutbuki Shemy I Service Manual
Laptop Schematics Shemi Na Laptopi Nachalo
Msi Schematic Bios
Электрическая принципиальная схема материнской платы для ноутбука Asus VivoBook Pro X580VD Rev 11 Подробнее ASUS X45U 60NAOMB1A00C01 REV21 BOARDVIEW (*FZ).
Ms 16gd1 ver 11 schematic. Filename, size File type Python version Upload date Hashes;. Global Source Distributor Free Shipping MSI CX61 CX60 Laptop Intel Motherboard MS16GD1 VER 11 MS16GD1 MSI CX61 CX60 Laptop Intel Motherboard MS16GD1 VER 11 Test Brand NameKEFU PortsWifi,USB ,HDMI,VGA,USB 30 ApplicationLaptop Hard Drive Interfaceyes ChipsetIntel H87 CPU TypeInte lModel NumberMS16GD1 Maximum Ram Capacity16 GB Memory TypeDDR3 Launch Date10 Form Factor. HAIER HMS1000TVE Ver11 Aiwa JAXPK1 ver1 11pdf /02/ AIWA Audio CXNJ1 Aiwa JAXPK1 ver1 11pdf 6786 kB 12 AIWA Aiwa JAXPK1 ver1 11 PHILIPS_HTS8140_ver11_smzip 01/04/ Philips Audio HTS8140 ver11 PHILIPS_HTS8140_ver11_smzip 304 kB 2 Philips PHILIPS HTS8140 ver11 sm PHILIPS_HTS8140_ver11_sm.
It's a MS7869 Ver 10 in an Aspire ATC605UB11 I'm planning on doing dome upgrades and would like a copy of the motherboard manual before I start You guys have done a fantastic job answering my other questions so I'm hoping someone has a link to the the manual. MSI MS1636 VER 11 MSI EX600 kotnatan, Dec 16, 15 Replies 0 Views 526 kotnatan Dec 16, 15 MSI MS163A REV 10 MSI MegaBook GX600 kotnatan, Dec 16, 15 Replies 0. Bios ciil, siil, siil, flex15iil bios fl5c5 lah103p.
MSI MS ver 11 Schematic rugga 0 66 5 üzerinden 0 Oy Toplam Ortalama 0 Oy Verilmiş ms16gd1 schematicss rugga 0 50 5 üzerinden 0 Oy Toplam Ortalama 0 Oy Verilmiş. Experiment with an electronics kit!. COSTO POR MODELO 5 usd 1001 Acer Aspire 7735ZG_7738_7738G wistron_jm70mv_RevSB 1002 Acer VBL30_VBL31Compal L351P_Rev01 1003 MSI MS6731 Ver 0a 1004 Lenovo ThinkPad Edge E125 Quanta.
Schematic diagrams for Laptops MSI CR4MX / MSI CX4 Project MSI MS / MS. DiSEqC (Digital Satellite Equipment Control), pronounced "DieSec", citation needed is a special communication protocol for use between a satellite receiver and a device such as a multidish switch or a small dish antenna rotorDiSEqC was developed by European satellite provider Eutelsat, which now acts as the standards agency for the protocol. MS7981 BoardView MS7981 VER 11 MS7981 VER 22 Upgrade Your Account For A Technical Support.
U user inci Registered Golden Reputation Jan 4, 21 #1 MotherBoard Model MS16GD1 VER 11 Laptop Model MSI ELİNDE OLAN PAYLAŞABİLİR Mİ. Bios File Request Schematic & Boardview File Request Unlock Bios Password Request Demo Videos File Request MS16GD1 Thread starter user;. MSI MS7928 Rev 10 BoardView, Schematic MS7928 ver 11.
Schemat Laptop Lenovo G510 Compal VIWGQ VIWGS L641P pdfembedder url="http//klinikalaptopapl/wpcontent/uploads/17/04/SchematLaptopLenovoG510Compal. Login Register Bios Help All Bios Software You Call Here ›. Free shipping for many products!.
Những Schematic không có mã Main sẽ bị xóa Cảm ơn các bạn đã tham gia diễn đàn !. Free laptop bios and schematic diagram download APPLE MACBOOK AIR J113 (CLEAR ME)zip APPLE IMAC 162 A1418 28 Azip. Login Register Bios Help All Bios Software You Call Here ›.
Build circuits with batteries, resistors, light bulbs, fuses, and switches Determine if everyday objects are conductors or insulators, and take measurements with an ammeter and voltmeter View the circuit as a schematic diagram, or switch to a lifelike view. Litematica is a new schematic mod written from scratch, and it is primarily targeting light mod loaders like LiteLoader on 112x, Rift on 113x and Fabric on 114 There is also a Forge version for 1122, but not yet for 1144 (but Forge ports for 1144 are also planned, see below). A schematic symbol can be edited and released into the initial revision of a newlycreated Symbol Item, courtesy of the server's support for direct editing Direct editing frees you from the shackles of separate versioncontrolled source data.
HAIER HMS1000TVE Ver11 Aiwa JAXPK1 ver1 11pdf /02/ AIWA Audio CXNJ1 Aiwa JAXPK1 ver1 11pdf 6786 kB 12 AIWA Aiwa JAXPK1 ver1 11 PHILIPS_HTS8140_ver11_smzip 01/04/ Philips Audio HTS8140 ver11 PHILIPS_HTS8140_ver11_smzip 304 kB 2 Philips PHILIPS HTS8140 ver11 sm PHILIPS_HTS8140_ver11_sm. More Views Additional Information ;. MSI CX61 MS16GD1 VER10 SCHEMATIC;.
MS7985 VER11 X51 R3 BIOSBIN. MS16GD1 VER 11 NVİDİA WhatsApp Support 90 531 495 64 Menu. SONY HCDDZ100K,500KF VER11 Type (PDF) Size 54 MB Page 84 Category.
MSI MSV336 GTX1080 PG413 Schematic MSI GTX 1080 8 GB (Gaming X) Bios. Filename, size schematics210py2py3noneanywhl (496 kB) File type Wheel Python version py2py3 Upload date Jun 25, 18 Hashes View. Additional Information Categories LAPTOP SCHEMATICS (4697) ACER.
First you need to put the schematic file in the schematics folderThen you need to register it in the schematics configHere is an example Version 021 Beta Really good server for survival server with a build feature but dude cmon do greate plugin again don`t abandoned Jun 2, 18 milan09nl. MS7913 BoardView MS7913 VER 10 MS7913 VER 11 Attachments. First you need to put the schematic file in the schematics folderThen you need to register it in the schematics configHere is an example Version 021 Beta Really good server for survival server with a build feature but dude cmon do greate plugin again don`t abandoned Jun 2, 18 milan09nl.
111 Fix issue where short 17byte packets were being dropped This defect impacted Winlink users 110 This decreases the latency over BLE connections It noticeably improves responsiveness of the iOS Config App (This update does little if you are not on iOS) TNC3schematicpdf » 5981 KiB 1,7 hits January 19, 19. Files for schematics, version 210;. This site uses cookies to help personalise content, tailor your experience and to keep you logged in if you register By continuing to use this site, you are consenting to our use of cookies.
Badcaps Forums > Troubleshooting i need msi ms16gd1 ver 11 schematc thanks 00, 0522 AM #2 ktmmotocross Boardkiller Join Date Feb 14 City & State slovakia My Country slovakia Line Voltage 230VAC 50Hz. MSI GT680R068UA (Model No MS16F2) MS16F21 Ver 11 EXT Video Card MS1V0Y1_gpu N11EGSA1 У вас нет доступа для просмотра вложений 1. Free laptop bios and schematic diagram download MSI MS171B1 REV Arar MSI MS1656 MS CALPELLA REV 0A MSI GX640rar.
Download SONY HCDDZ100K,500KF VER11 service manual & repair info for electronics experts Service manuals, schematics, eproms for electrical technicians This site helps you to save the Earth from electronic waste!. $552 Qty Add to CartORAdd to Wishlist;. Find many great new & used options and get the best deals for MSI Ms16gd Cx61 Series Intel Motherboard GeForce GT 0m Ms16gd1 Ver 11 at the best online prices at eBay!.
MS16GD1 VER 11 NVİDİA WhatsApp Support 90 531 495 64 Menu. Page 1 RC410M Series MS7173 (v1X) MATX Mainboard English Version G52M7173X1 Page 2 Trademarks If a problem arises with your system and no solution can be obtained from the user’s manual, please contact your place of purchase or local distributor Alternatively, please try the following help resources for further guidance. Tiếp tục với series bán Boardview – Schematic – Bitmap giá rẻ, sau sự thành công cũng ủng hộ của mọi người đối với Gigabyte Schematics Boardviews và Asus Schematics Boardviews và Asrock Schematics Boardviews giá rẻ mới nhất Hôm nay mình xin giới thiệu đến mọi người dịch vụ bán Msi Schematics Boardviews giá rẻ nhất hiện nay.
MSI GL62 (7TH GEN) MS16J5 MS16J51 VER 10 Bios. (adc5)pc5 28 (adc4)pc4 27 (adc3)pc3 26 (adc2)pc2 25 (adc1)pc1 24 (adc0)pc0) 23 (sck)pb5 19 (miso)pb4 18 (mosi)pb3 17 (ss)pb2 16 (oc1)pb1 15 (icp)pb0 14 (ain1)pd7 13 (ain0)pd6. Easy Pulse version 11 Quick overview of Easy Pulse The Easy Pulse sensor is based on the principle of photoplethysmography (PPG) which is a noninvasive method of measuring the variation in blood volume in tissues using a light source and a detector Since the change in blood volume is synchronous to the heart beat, this technique can be used.
MSI MS16Q41 Ver 10 Skype ID biosdestek Service Tuna Bilgisayar 90 312 271 26 27 WhatsApp & Telegram Support 0545 819 94 38 Follow our Facebook Page Hello There, Guest!. A schematic symbol can be edited and released into the initial revision of a newlycreated Symbol Item, courtesy of the server's support for direct editing Direct editing frees you from the shackles of separate versioncontrolled source data. MSI MS VER 10 AMD.
Start date Jan 4, 21;. Ver 11 REVISION HISTORY Design Name Size Page Name Rev Date Sheet of Xunlong Software REVISION HISTORY Orange Pi Plus 2E A3 Frid ay, April 15, 16 1 16 i i 5 5 4 4 3 3 2 2 1 1 D D C C B B A A BLOCK eMMC eMMC SD0 TF CARD USB0 USB1 USB OTG USB HUB IR RX IR RX RGMII RTL11E HDMI OUT HDMI H3 5V@2A LPDDR3 16X2 DRAMC0 US. MSI MS7345 schematicpdf 5 4 3 2 1 CONTENT SHEET Cover Sheet, Block diagram Intel LG75 CPU Signals/ Power/ GND 12 35 MS7345 ATX Version 12 D Intel Bearlake FSB, PCIE, DMI, VGA, MSIC 6 CPU Intel Pentium 4, Pentium D, Core2 Duo, Wolfdale, Kentsfield D Intel Bearlake Memory DDR2 7 and Yorkfield processors in LG75 Package.
COSTO POR MODELO 5 usd 1001 Acer Aspire 7735ZG_7738_7738G wistron_jm70mv_RevSB 1002 Acer VBL30_VBL31Compal L351P_Rev01 1003 MSI MS6731 Ver 0a 1004 Lenovo ThinkPad Edge E125 Quanta. MS7411 Ver 11 Boardview Skype ID biosdestek Service Tuna Bilgisayar 90 312 271 26 27 WhatsApp & Telegram Support 0545 819 94 38 Follow our Facebook Page Hello There, Guest!. Best Aliexpress Product DCNK For MSI CX61 MS16GD1 VER 11 Laptop Motherboard W/ N14PGV2SA1 GT740M 2G Video Card Mainboard 100% tested workingCheck.
Search Go MSI CX61 MS16GD1 VER10 SCHEMATIC Availability In stock $552 File MSI CX61 MS16GD1 VER10 SCHEMATIC ;.
Driverelor Ms 7529 Ver 1 1 Motherboard In Windows 10
Schematic X Msi Schematics
Laptop Schematics Shemi Na Laptopi Nachalo
Laptop Schematic
Msi Cx61 Ms 16gb1 Bin Bios
Msi Msi Shemi Na Laptopi Nachalo
Msi Cx61 Cx60 Laptop Intel Motherboard Ms 16gd1 Ver 1 1 Tested By Boardss002 Issuu
Schematic X Msi Schematics
Pdf Full Length Genome Analysis Of Two Genetically Distinct Variants Of Porcine Epidemic Diarrhea Virus In Thailand
Platforma Msi Noutbuki Shemy I Service Manual
Msi Ge60 Ms 16ga Intel Motherboard As Is 3g19 59 99 Picclick
Msi Msi Shemi Na Laptopi Nachalo
Msi Msi Shemi Na Laptopi Nachalo
Msi Msi Shemi Na Laptopi Nachalo
Platforma Msi Noutbuki Shemy I Service Manual
Msi Msi Shemi Na Laptopi Nachalo
Laptop Schematic
Laptop Schematics Shemi Na Laptopi Nachalo
Ms 16gf1 For Msi Ge60 Laptop Motherboard Sr1q0 I5 4210 Gtx 860m Ms 16gf 100 Work Perfectly Special Price 7c2d Cicig
Msi Ge60 Ms 16ga Intel Motherboard As Is 3g19 59 99 Picclick
Ms 1757 For Msi Ge70 Laptop Motherboard With Gt750m Ms Ver 1 1 Pga947 Ddr3 System Mainboard 100 Tesed Ok Laptop Motherboard Aliexpress
Platforma Msi Noutbuki Shemy I Service Manual
Msi Ms 16j61 Rev 1 1 Bios Alisaler Com
Laptop Schematic 1000 00 Printers Recovery
Laptop Schematics Shemi Na Laptopi Nachalo
Msi Motherboard Boardss De Various Source For Shop A Part Faster For Tv Plasma Screen Panel Electronic Parts Appliance Replacement Parts Computer Components Plc Control Module Servo Motors Drive
Msi Ms 16gd Cx61 Series Intel Motherboard Geforce Gt 0m Ms 16gd1 Ver 1 1 For Sale Online Ebay
Msi Notebook Shemy Servis Manualy Raspolozhenie Elementov Foto Platy Baza Dannyh Ustrojstv Devicedb Xyz
Msi Msi Shemi Na Laptopi Nachalo
Msi Msi Shemi Na Laptopi Nachalo
Original Ms 1757 For Msi Ge70 Laptop Motherboard With Gt750 Graphics Card Ms 1751 Rev 1 1 1 0 Test Ok Hot Discount F0e4b Cicig
Laptop Schematic
Ms 1757 For Msi Ge70 Laptop Motherboard With Gt750m Ms Ver 1 1 Pga947 Ddr3 System Mainboard 100 Tesed Ok Laptop Motherboard Aliexpress
Msi Msi Shemi Na Laptopi Nachalo
Laptop Schematic
Schematic X Msi Schematics
Laptop Schematics Shemi Na Laptopi Nachalo
Ms Ver 1 1 Laptop Motherboard Bios Bin Lab One
Platforma Msi Noutbuki Shemy I Service Manual
Msi Oem Ms 16gc Ms 16gc1 Motherboard Schematic Diagram Click On Picture To Enlarge Price Us 15 00 Motherboard P N Ms 16gc1 Ms 16gc Also Included 4 Schematic Diagrams Rev 0 A 0 B 1 0 1 1 Power Delivery Chart Power On
Msi Cx61 Cx60 Laptop Intel Motherboard Ms 16gd1 Ver 1 1 Tested By Boardss002 Issuu
Laptop Schematic
Laptop Schematic
Laptop Schematics Shemi Na Laptopi Nachalo
Laptop Schematic
Platforma Msi Noutbuki Shemy I Service Manual
Platforma Msi Noutbuki Shemy I Service Manual
Msi Msi Shemi Na Laptopi Nachalo
Msi Cx61 2qc Ms 16gd Schematic Ms 16gb1 Vinafix Com
Laptop Schematics Shemi Na Laptopi Nachalo
Msi Msi Shemi Na Laptopi Nachalo
Msi Ms 16j61 Rev 1 1 Bios Alisaler Com
Msi Msi Shemi Na Laptopi Nachalo
Msi Schematic Bios
Laptop Schematics Shemi Na Laptopi Nachalo
Laptop Schematic
Laptop Schematic
Platforma Msi Noutbuki Shemy I Service Manual
Laptop Schematic
Msi Schematic Bios
Msi Msi Shemi Na Laptopi Nachalo
Ms 16gf1 For Msi Ge60 Laptop Motherboard Sr1q0 I5 4210 Gtx 860m Ms 16gf 100 Work Perfectly Special Price 7c2d Cicig
Ms 1757 For Msi Ge70 Laptop Motherboard With Gt750m Ms Ver 1 1 Pga947 Ddr3 System Mainboard 100 Tesed Ok Laptop Motherboard Aliexpress
Schematic X Msi Schematics
Platforma Msi Noutbuki Shemy I Service Manual
Msi Ms 16j61 Rev 1 1 Bios Alisaler Com
Msi Cr61 Cx61 Ms 16gd1 Plyta Glowna Nvidia Gt740m Oficjalne Archiwum Allegro
Msi Msi Shemi Na Laptopi Nachalo
Dell Inspiron 35 1 Dv15 Hr 48 4ip16 011 Schematics Alisaler Com
Hot Original Main Board Fit For Msi Cx61 Laptop Motherboard Ms 16gd1 Ver 1 1 Ver 1 0 Model Socket Rpga947 100 Tested Fully Work Main Board Motherboard For Msimotherboards For Laptops Aliexpress
Msi Msi Shemi Na Laptopi Nachalo
Msi Cx61 Ms 16gd1 Ver1 0 Schematic For 5 52
Schemat Laptop Lenovo G510 Compal Viwgq Viwgs La 9641p Klinika Laptopa Naprawa I Serwis Laptopow Lodz
Msi Msi Shemi Na Laptopi Nachalo
Hot Original Main Board Fit For Msi Cx61 Laptop Motherboard Ms 16gd1 Ver 1 1 Ver 1 0 Model Socket Rpga947 100 Tested Fully Work Main Board Motherboard For Msimotherboards For Laptops Aliexpress
Laptop Schematic
Pdf Assessment Of The Impact Of Automatic Milking On The Selected Parameters Of Dairy Cows Welfare
Msi Oem Ms 16gf Ms 16gf1 Motherboard Schematic Diagram Click On Picture To Enlarge Price Us 17 50 Motherboard P N Ms 16gf1 Ms 16gf Also Included 3 Schematic Diagrams Rev 0 A 1 0 And 1 1 Major Components Cpu Intel Broadwell
Platforma Msi Noutbuki Shemy I Service Manual
Laptop Schematics Shemi Na Laptopi Nachalo
Msi Msi Shemi Na Laptopi Nachalo
Msi Msi Shemi Na Laptopi Nachalo
Msi Cx61 Ms 16gb1 Bios Dump File Lab One
Msi Notebook Shemy Servis Manualy Raspolozhenie Elementov Foto Platy Baza Dannyh Ustrojstv Devicedb Xyz
Msi Ms 16j61 Rev 1 1 Bios Alisaler Com
Msi Oem Ms 16g11 Motherboard Schematic Diagram Click On Picture To Enlarge Price Us 15 00 Motherboard P N Ms 16g11 Major Components Intel Arrandale Ibexpeak M Ddr3 Gpu Dis Nvidia N11p Gv1 Ec Ene 3926 File Type Pdf
Msi Oem Ms 16g61 Motherboard Schematic Diagram Click On Picture To Enlarge Price Us 15 00 Motherboard P N Ms 16g61 Major Components Intel Sandybridge Cougar Point Ddriii Gpu Uma Or Dis Mxm3 0 Gfx Card Ec Ene 3930 File
Msi Ms 16gd Cx61 Series Intel Motherboard Geforce Gt 0m Ms 16gd1 Ver 1 1 For Sale Online Ebay
Hot Original Main Board Fit For Msi Cx61 Laptop Motherboard Ms 16gd1 Ver 1 1 Ver 1 0 Model Socket Rpga947 100 Tested Fully Work Main Board Motherboard For Msimotherboards For Laptops Aliexpress
Platforma Msi Noutbuki Shemy I Service Manual
Prosba O Identyfikacje Kondensatora Msi Cx61 Ms 16gd Forum Elvikom
Laptop Schematic
Msi Schematic Bios
Msi Msi Shemi Na Laptopi Nachalo


